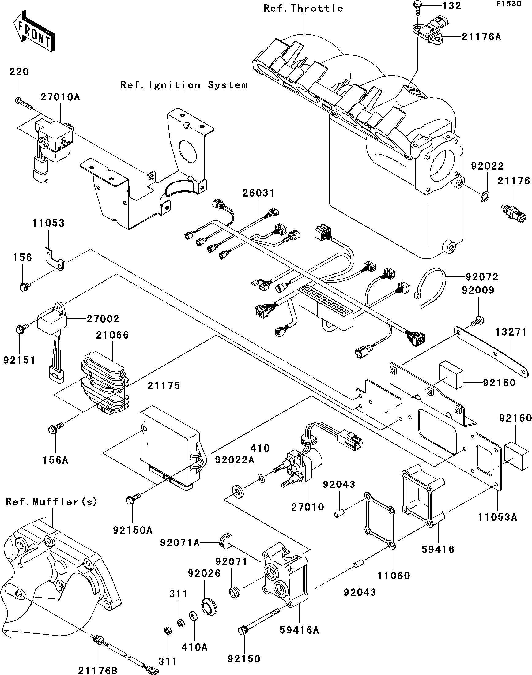
Used 27002-3702 RELAY-ASSY [K7220-09]

KawasakiSKU: K7220-09

Price:
Sale price¥2,200
Stock:
Only 1 unit left

Description

STX-12F'03 OEM (Fuel-InjectionJT1200-B1) RELAY-ASSY Used [K7220-09]




INCLUDED ITEM[NUMBER/NAME]
27002-3702/RELAY-ASSY

Estimate shipping

You may also like

Recently viewed